法蘭式高壓球閥KHB-F3/6系列
【所屬分類】:國際標準液壓高壓球閥
【產品型號】:
【市場價格】:面議/電詢
【生產廠家】:寧波朝日液壓有限公司
【訪問人次】:次
系列代號:KHB閥塊型球閥DN16-25;KHM袖套型球閥 DN32-50;公稱通徑:16 20 25 32 40 50mm;SAE法蘭形式 ;閥體、接頭體、控制芯軸:鋼 ;球體材質:鋼 ;球體處密封:POM ;控制芯軸和接頭處密封:4—氟橡膠(FKM) ...
1.型號說明
KHB _ 20 _ F3 _ 1 1 1 4 1 02 _ X
1 2 3 4 5 6 7 8 9 10
1、系列代號:KHB閥塊型球閥DN16-25
KHM袖套型球閥 DN32-50
2、公稱通徑:16 20 25 32 40 50mm
3、SAE法蘭形式
4、閥體、接頭體、控制芯軸:鋼
5、球體材質:鋼
6、球體處密封:POM
7、控制芯軸和接頭處密封:4—氟橡膠(FKM)
8、SAE法蘭:鋼
9、手柄形式:02-鋁質抱箍手柄 曲柄(AK)
10、系列號:由制造商定
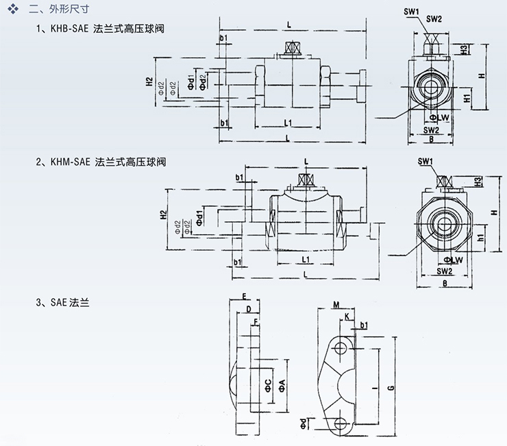
2.外形尺寸

3.連接形式及技術參數
KHB/KHM-F3
型號 | SAE規格 | DN | LW | L | L1 | H | h1 | h2 | h3 | B |
KHB-16-F3 | 1/2" | 16 | 16 | 170 | 47 | 62 | 19 | 45 | 11 | 38 |
KHB-20-F3 | 3/4" | 20 | 19 | 170 | 60 | 75 | 24.5 | 57 | 11 | 48 |
KHB-25-F3 | 1" | 25 | 25 | 176.5 | 65 | 82 | 28.5 | 64 | 11 | 57 |
KHB-32-F3 | 11/4" | 32 | 30 | 191.5 | 83.4 | 103 | 37.5 | 85 | 12 | 75 |
KHB-40-F3 | 11/2" | 40 | 38 | 231 | 91 | 114 | 42.5 | 96 | 12 | 85 |
KHB-50-F3 | 2" | 50 | 48 | 231 | 100 | 131.5 | 52.5 | 112.5 | 12 | 105 |
型號 | b1 | d1 | d2 | SW1 | SW2 | PN(bar) | 0-型圈 |
KHB-16-F3 | 6.8 | 30.2 | 24 | 12 | 32 | 350 | 19×3.55 |
KHB-20-F3 | 6.8 | 38.1 | 31.5 | 14 | 41 | 350 | 25×3.55 |
KHB-25-F3 | 8.1 | 44.45 | 38 | 14 | 50 | 350 | 32.5×3.55 |
KHB-32-F3 | 8.1 | 50.8 | 43 | 17 | 60 | 275 | 37.5×3.55 |
KHB-40-F3 | 8.1 | 60.35 | 50 | 17 | 70 | 210 | 47.5×3.55 |
KHB-50-F3 | 9.6 | 71.4 | 62 | 17 | 80 | 210 | 56×3.55 |
SAE法蘭—F3
型號 | A | C | D | E | F | M | K | I | G | d |
KHB-16-F3 | 30.96 | 24.3 | 13 | 19 | 6.2 | 21.8 | 7.74 | 38.1 | 54 | 8.5 |
KHB-20-F3 | 38.9 | 32.2 | 14 | 22 | 6.2 | 24.9 | 10 | 47.6 | 65 | 10.5 |
KHB-25-F3 | 45.3 | 38.5 | 16 | 22 | 7.5 | 28.2 | 12 | 52.4 | 70 | 10.5 |
KHB-32-F3 | 51.6 | 43.7 | 14 | 24 | 7.5 | 35.3 | 14 | 58.7 | 80 | 12 |
KHB-40-F3 | 61.1 | 50.8 | 16 | 25 | 7.5 | 40.1 | 17 | 69.9 | 94 | 13.5 |
KHB-50-F3 | 72.3 | 62.8 | 16 | 26 | 9 | 47.2 | 21 | 77.8 | 102 | 13.5 |
型號 | SAE規格 | DN | LW | L | L1 | H | h1 | h2 | h3 | B |
KHB-16-F6 | 1/2" | 16 | 16 | 170 | 47 | 62 | 19 | 45 | 11 | 38 |
KHB-20-F6 | 3/4" | 20 | 19 | 170 | 60 | 75 | 24.5 | 57 | 11 | 48 |
KHB-25-F6 | 1" | 25 | 25 | 198.5 | 65 | 82 | 28.5 | 64 | 11 | 57 |
KHB-32-F6 | 11/4" | 32 | 30 | 223.4 | 83.4 | 103 | 37.5 | 85 | 12 | 75 |
KHB-40-F6 | 11/2" | 40 | 38 | 281 | 91 | 114 | 42.5 | 96 | 12 | 85 |
KHB-50-F6 | 2" | 50 | 48 | 315 | 100 | 131.5 | 52.5 | 112.5 | 12 | 105 |
型號 | b1 | d1 | d2 | SW1 | SW2 | PN(bar) | 0-型圈 |
KHB-16-F6 | 7.9 | 31.8 | 24 | 12 | 32 | 400 | 19×3.55 |
KHB-20-F6 | 8.8 | 41.3 | 32 | 14 | 46 | 350 | 25×3.55 |
KHB-25-F6 | 9.5 | 47.6 | 38 | 14 | 50 | 350 | 32.5×3.55 |
KHB-32-F6 | 10.3 | 54 | 44 | 17 | 60 | 350 | 37.5×3.55 |
KHB-40-F6 | 12.6 | 63.5 | 51 | 17 | 70 | 350 | 47.5×3.55 |
KHB-50-F6 | 12.6 | 79.4 | 62 | 17 | 80 | 350 | 56×3.55 |
型號 | A | C | D | E | F | M | K | I | G | d |
KHB-16-F3 | 32.54 | 24.64 | 16 | 22 | 7.24 | 22.6 | 8.12 | 40.99 | 56 | 8.5 |
KHB-20-F3 | 42 | 32.2 | 19 | 28 | 8.2 | 29 | 11 | 50.8 | 72 | 10.5 |
KHB-25-F3 | 48.4 | 38.9 | 24 | 33 | 9 | 33.8 | 13 | 57.2 | 81 | 13 |
KHB-32-F3 | 54.8 | 44.5 | 27 | 38 | 9.8 | 37.6 | 15 | 66.6 | 96 | 15 |
KHB-40-F3 | 64.3 | 51.6 | 30 | 43 | 12 | 46.5 | 17 | 79.3 | 113 | 17 |
KHB-50-F3 | 80.2 | 67.6 | 37 | 52 | 12 | 55.9 | 21 | 96.8 | 134 | 21 |
CN
EN
ES





